Empty Glass Cells with Brewster Windows

GC251B
Empty UV Fused Silica Cell with
Brewster Windows, 1 Input
GC252B
Empty UV Fused Silica Cell with
Brewster Windows, 2 Inputs
- Empty Fused Silica Glass Cells for Spectroscopy
- Hermetically Sealed Windows at Brewster's Angle
- High Transmission from 185 nm to 2.1 μm
- Can Be Used at Pressures from 10-7 Torr to 5 psi at 25 °C
Application Idea
The KF25C025 Ø1/4" compression fitting provides compatibility with KF25-flanged vacuum systems.

Please Wait
| Specifications | |||
|---|---|---|---|
| Item # | GC251B | GC252B | |
| Path Lengtha | 100.0 ± 3.0 mm | ||
| Cell Outer Diameter | 25.0 ± 0.2 mm | ||
| Cell Clear Aperture | >Ø20.0 mm | ||
| Pressure (at 25 °C) | <10-7 Torr to 5 psi | ||
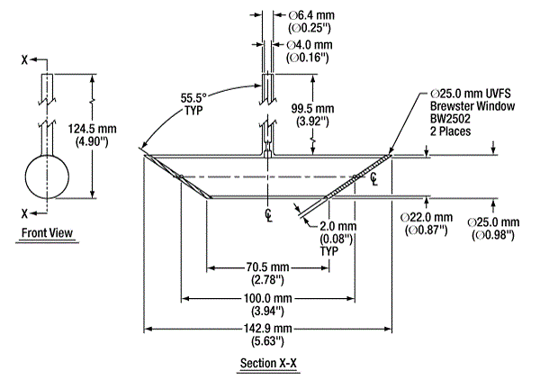
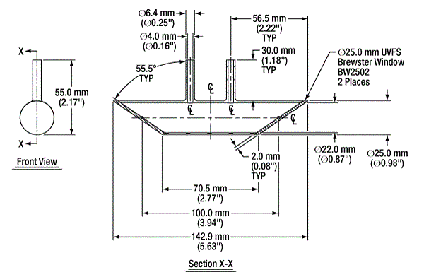
| Fill Tube Length | 99.5 mm | 30.0 mm | |
| Number of Fill Tubes | One | Two | |
| Fill Tube Outer Diameter (Typical) |
6.4 mm (0.25") | ||
| Window Angle | 55.5° ± 1.0° | ||
| Window Item # | BW2502 | ||
| Transmitted Wavefront Error | λ/10 @ 633 nm | ||
| Window & Cell Substrate | UV Fused Silicab | ||
| UVFS Transmission (Click for Plot) |
|||
| Diagram (Click to View) | |||
Features
- Glass Cells with 100 mm Path Length for Spectroscopy Applications:
- Both Ends Include Thorlabs' BW2502 Brewster Windows
- Near-Zero Reflection Losses of P-Polarized Light
- Available with One Tube for Filling or Two Tubes for Flow
- Compatible with Our KF25C025 and KF16C025 Flange to Compression Fitting Adapters
- UV-Fused Silica Substrate for Windows Resists Chipping and Scratching
- High Transmission from 185 nm to 2.1 μm
Thorlabs' Empty Fused Silica Cells with Brewster Windows provide high transmission from 185 nm to 2.1 μm. The BW2502 Brewster windows at each end are hermetically sealed at the Brewster's angle of 55.5° at 633 nm, enabling near-zero reflection losses of the p-polarized component of light while suppressing transmission of s-polarized light. Please see the Graphs tab for more information on wavelength dependence and reflectance. We also offer other empty cells for a variety of spectroscopic applications as shown in Table 1.2.
Cells are available with one or two fill tubes. The GC251B glass cell is designed with a single fill tube which is useful when introducing a sample into the cell and sealing it off for measurements. The GC252B glass cell features two fill tubes to allow a sample to flow through the cell while under analysis. The cells do not come with integrated valves and can only isolate a sample by adding valves at some other points in the system.
The fill tubes have a Ø1/4" (6.4 mm) outer diameter and are compatible with our KF25C025 and KF16C025 flange to compression fitting adapters; for more information see the Vacuum Seal tab. As shown in Video 1.1, custom reference cells can be manufactured upon request, including different cell lengths, cell diameters, or fill tube configurations. Please contact Tech Sales with inquiries.
The cell windows at each end are made from UV-fused silica (UVFS), a rugged material that resists chipping and scratching and offers high transmission for wavelengths between 185 nm and 2.1 μm. All glass cells on this page are capable of withstanding vacuum environments as low as 10-7 Torr and pressures as high as 5 psi at 25 °C. Post production, the cells undergo ultrasonic cleaning, a methanol rinse, and are coated with First Contact™* Polymer, a polymer coating that protects the optics from scratching and chipping and can be easily peeled off before the cell is used. The cells are not vacuum sealed when shipped; before using the cells in a vacuum setup, we advise users to clean with a methanol rinse.
Mounting & Heating Options
The glass cells can be mounted in our V-Clamp Mounts, which are available in standard, kinematic, or Ø1.5" post-compatible versions. Please check that the cell diameter is supported by the mount. A VBC2(/M) Post-Mountable Band Clamp is well-suited for mounting a GC251B cell without marring, while a VBC1(/M) Post-Mountable Band Clamp can be used to mount a GC252B cell without marring. The glass cells can also be mounted and heated up to 50 °C in our GCH25-75 Glass Cell Heater.
*First Contact is a trademark of Photonic Cleaning Technologies, LLC.
| Table 1.2 Single-Pass Cells Selection Guide | |||||||||
|---|---|---|---|---|---|---|---|---|---|
![]() |
![]() |
![]() |
![]() |
![]() |
![]() |
![]() |
![]() |
![]() |
![]() |
| Empty Glass Cells with Borosilicate Windows | Empty Glass Cells with Textured Antireflective Windows | Empty Glass Cells with Angled Windows | Empty Glass Cells with Brewster Windows | Empty Alumina Cells with Sapphire Windows | Threaded Empty Glass Cells | Threaded Empty Stainless Steel Cells | Vapor Reference Cells | Acetylene Reference Cells | Glass Cell Heaters |
This tab features information on the refraction and reflection of UV fused silica and UV fused silica windows at Brewster's angle.
UV Fused Silica Index of Refraction

Click to Enlarge
Figure 2.2 This graph shows the calculated reflectance of uncoated UV fused silica for polarized light as a function of angle of incidence. The reflectance for P-polarized light goes to zero at Brewster's angle.

Click to Enlarge
Figure 2.1 This graph shows the calculated index of refraction of UV fused silica as a function of wavelength.
The index of refraction for UV fused silica is wavelength dependent, as shown in Figure 2.1, and expressed by the following formula:

Please note that that the wavelength needs to be in microns when using the above formula.
Brewster Windows
Brewster windows are typically used as polarizers within laser cavities. When positioned at Brewster's angle (55° at 633 nm), the P-polarized portion of the light will pass through the window with no losses, while a fraction of the S-polarized portion will be reflected off the Brewster window. The Brewster window achieves the AR properties of a window for P-polarized light without the need for an AR coating.
The wavelength dependence of the index of refraction for UV fused silica as shown in Figure 2.1 implies the wavelength dependence of Brewster's angle:

Figure 2.4 This image shows the reflection of S-polarized light and transmission of P-polarized light through a Brewster window. Some

Click to Enlarge
Figure 2.3 This graph shows the calculated value of Brewster's angle as a function of wavelength when light is passing from air to UV fused silica.
Brewster's angle is given by
.
θB is Brewster's angle.
ni is the index of refraction of the incident medium, which is 1.0003 for air.
nt is the index of refraction of the transmitting medium, which is 1.45701 for fused silica at 633 nm.
Hence, Brewster's angle also displays a wavelength dependence, as shown in Figure 2.3.
Absorption Spectroscopy
The reference substance pumped into the glass cell is associated with a unique absorption spectrum that serves as its fingerprint. The contents of a reference cell can be determined via a linear absorption measurement (as depicted in Figure 3.1). By scanning a tunable diode laser over a wavelength range and detecting light absorption with a photodetector, a series of peaks will be recorded, which is characteristic of the vapor inside the cell. Please note that we also offer pre-filled and sealed acetylene reference cells, as well as vapor reference cells with quartz or borosilicate substrates.
A reference cell with Brewster windows minimizes back-reflections, etalon effects, and other stray reflections throughout a setup, which is critical for applications requiring a high power (linearly polarized) laser source. The Brewster angle changes little with wavelength as seen in the Graphs tab, and so retains its anti-reflectivity over a broader range of wavelengths than an AR coated cell.
Figure 3.1 Absorption Spectroscopy SchematicCreating a Vacuum Seal with a KF Flange
Thorlabs' empty fused silica cells can be used with our KF16 and KF25 Flanged Components and Accessories in order to manage gas flow in and out of the cell. The glass cells are terminated with one or two Ø0.25" (Ø6.35 mm) fill tubes that can be inserted into a KF16C025 or a KF25C025 Flange-to-Compression-Fitting Adapter.
To input the glass cell into a KF16 or KF25 vacuum system, follow the instructions below.
- Select a KF16 or KF25 flange-to-compression-fitting adapter that is compatible with the fill tube diameter of the glass cell.
- Coat a cleaned and inspected KF16CR-F or KF25CR-F Centering O-Ring in vacuum grease and place it on a base post or pipe.
- Place the flange-to-compression-fitting adapter on top of the KF16CR-F or KF25CR-F Centering O-Ring and secure them with the KF16WNC or KF25WNC Wing Nut Clamp.
- Loosen and remove the knurled locking knob, O-ring, and seal ring of the flange-to-compression-fitting adapter so its mating surface can be inspected and the included O-ring can be coated in vacuum grease. This will create a vacuum seal when the cell is inserted into the system.
- Slide the open end of the glass cell tube through the top (side with the Thorlabs engraving) of the knurled locking knob, seal ring (with the counterbore seat for the O-ring facing the adapter body), and O-ring (in that order) of the flange-to-compression-fitting adapter.
- Slide the glass tube into the flange adapter body and then slide the O-ring, seal ring, and knurled locking knob down the tube onto the flange adapter body. Tighten the knurled locking knob by hand.
It is not recommended to insert the glass tube into a fully assembled KF flange-to-compression-fitting adapter. The sharp edges of the glass tube may damage the O-ring, thus causing the seal to fail.
| Posted Comments: | |
Michael Lim
 (posted 2023-06-27 18:27:53.373) Are these cells compatible with rubidium filling? Interested in using these in a spectroscopy application involving low-loss transmission of a laser beam. jpolaris
 (posted 2023-06-28 05:49:52.0) Thank you for contacting Thorlabs. These empty glass cells are made from UVFS, which is a synthetic version of quartz. The performance of these cells with rubidium is expected to be the same or very similar to GC19075-RB, which is a quartz glass rubidium vapor reference cell that we offer. Unlike the cells on this page, the UVFS windows on the ends of GC19075-RB are not at Brewster's angle. Regarding usage, the maximum recommended temperature of the gas is 110 °C, because above this temperature the alkali gas begins reacting with the glass. The higher the temperature, the faster the reaction. Although there have been no published papers to our knowledge on the topic of alkali reaction with glass in excess of 110 °C, we have plenty of anecdotal evidence of the phenomenon occurring. The reaction is slow at 110 °C but at higher temperatures, the metal will be consumed more quickly. Since the metal vapor is not a true gas, we cannot measure pressure directly, but there is typically 5 mg - 10 mg total gas in the cell. |
Products Home






















Empty Glass Cells with Brewster Windows