Empty Gas Cell with Sapphire Windows

- Empty Alumina Gas Cell for Spectroscopy
- Ø1/2" Wedged Sapphire Windows Angled at 1°
- High Transmission Across 200 nm - 4.5 μm Wavelength Range
Sealed Windows Angled at 1°
GC20S
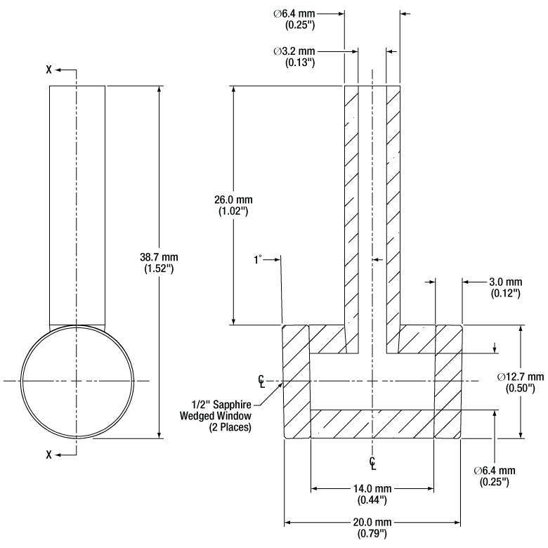
Empty Alumina Cell with Ø1/2" Wedged Sapphire Windows Angled at 1°

Please Wait
| Table 1.2 Specifications | |
|---|---|
| Item # | GC20S |
| Cell Lengtha | 20.0 ± 3.0 mm |
| Path Lengthb | 14.0 ± 3.0 mm |
| Cell Outer Diameter | 12.7 ± 0.2 mm |
| Cell Clear Aperture | >Ø5.0 mm |
| Pressure | <10-7 Torr to 5 psi at 25 °C |
| Fill Tube Length | 26.0 mm |
| Fill Tube Outer Diameter | 6.4 mm (0.25") |
| Window Angle | 1.0° ± 1.0° |
| Window Item # | WW30530 |
| Window Flatness | λ |
| Window Wedge Angle | 30 ± 10 arcmin |
| Window Substrate | Sapphire |
| Window Transmission Data (Click for Plot) |
Raw Data |
| Diagram (Click to View) | |

Click to Enlarge
Figure 1.1 Wedged Windows Seal Off the Empty Cell
Features
- Gas Cell for Spectroscopy Applications
- Pair of Windows Angled at 1°
- Keeps Stray Reflections out of Beam Path
- Compensates for Beam Offset
- Wedged Windows Eliminate Etalon Effects
- Both Ends Include Ø1/2" Sapphire Windows
- Alumina Substrate for Cell Provides Strength, Hardness, and Resistance to Aggressive Chemicals
- Broad Transmission from UV to IR (See Table 1.2) Available with One Tube for Filling
- Custom Design and Manufacturing Services Available (Contact Tech Support)
Thorlabs' Empty Gas Cells with Sapphire Windows provide high transmission from 200 nm to 4.5 µm (see Table 1.2 for a graph of the sapphire window transmission). The windows are angled (as seen in the family image above) to ensure that stray reflections do not interfere with the beam path. Since the two windows are angled opposite to each other, any beam translation from the first window is compensated by the second window. To eliminate etalon effects, the windows have a 30 arcmin wedge. We also offer a variety of other empty cells for various spectroscopic applications as shown in Table 1.3.
Cells are available with one fill tube which is useful when introducing a sample into the cell and sealing it off for measurements. These fill tubes have a 1/4" outer diameter and are compatible with Ø1/4" compression fittings; for more information see the Vacuum Seal tab. Custom reference cells can be manufactured upon request, including different cell lengths, cell diameters, or fill tube configurations. Please contact Tech Support with inquiries.
Each cell is made from alumina, a rugged material which provides superior mechanical strength, exceptional surface hardness, and resistance to aggressive chemicals. The ends of each cell include a Ø1/2" sapphire wedged window. This gas cell can hold a vacuum below 10-7 Torr and withstand pressure up to 5 psi. The post-production cleaning process for these cells consists of an ultrasonic cleaning followed by a methanol rinse. The cell is then connected to a vacuum system and leak tested. The cells are not vacuum sealed when shipped; before using the cell in a vacuum setup, we advise users to follow a similar cleaning process for each cell.
These cells are commonly used in absorption spectroscopy; refer to the Application tab for a general overview of use with absorption spectroscopy. We also offer compact and Herriott multipass cells for gas absorption spectroscopy applications, as well as filled and sealed vapor and acetylene reference cells.
Mounting & Heating Options
The gas cell can be mounted in our V-Clamp Mounts, which are available in standard, kinematic, or Ø1.5" post-compatible versions. Please check that the cell diameter is supported by the mount.
| Table 1.3 Single-Pass Cells Selection Guide | |||||||||
|---|---|---|---|---|---|---|---|---|---|
![]() |
![]() |
![]() |
![]() |
![]() |
![]() |
![]() |
![]() |
![]() |
![]() |
| Empty Glass Cells with Borosilicate Windows | Glass Cells with Textured Antireflective Windows | Empty Glass Cells with Angled Windows | Empty Glass Cells with Brewster Windows | Empty Alumina Cells with Sapphire Windows | Threaded Empty Glass Cells | Threaded Empty Stainless Steel Cells | Vapor Reference Cells | Acetylene Reference Cells | Glass Cell Heaters |
Absorption Spectroscopy
The reference substance pumped into the glass cell is associated with a unique absorption spectrum that serves as its fingerprint. The contents of a reference cell can be determined via a linear absorption measurement (as depicted in Figure 2.1). By scanning a tunable diode laser over a wavelength range and detecting light absorption with a photodetector, a series of peaks will be recorded, which is characteristic of the vapor inside the cell. Please note that we also offer pre-filled and sealed acetylene reference cells, as well as vapor reference cells with quartz or borosilicate substrates.
Figure 2.1 Absorption Spectroscopy SchematicCreating a Vacuum Seal with a KF Flange
Thorlabs' empty quartz cells can be used with our KF16 and KF25 Flanged Components and Accessories in order to manage gas flow in and out of the cell. The glass cells that are terminated with one Ø0.25" (Ø6.35 mm) fill tube can be inserted into the KF16C025 or KF25C025 Flange-to-Compression-Fitting Adapter.
To input the glass cell into a KF16 or KF25 vacuum system, follow the instructions below.
- Select a KF16 or KF25 flange-to-compression-fitting adapter that is compatible with the fill tube diameter of the glass cell.
- Coat a cleaned and inspected KF16CR-F or KF25CR-F Centering O-Ring in vacuum grease and place it on a base post or pipe.
- Place the flange-to-compression-fitting adapter on top of the KF16CR-F or KF25CR-F Centering O-Ring and secure them with the KF16WNC or KF25WNC Wing Nut Clamp.
- Loosen and remove the knurled locking knob, O-ring, and seal ring of the flange-to-compression-fitting adapter so its mating surface can be inspected and the included O-ring can be coated in vacuum grease. This will create a vacuum seal when the cell is inserted into the system.
- Slide the open end of the glass cell tube through the top (side with the Thorlabs engraving) of the knurled locking knob, seal ring (with the counterbore seat for the O-ring facing the adapter body), and O-ring (in that order) of the flange-to-compression-fitting adapter.
- Slide the glass tube into the flange adapter body and then slide the O-ring, seal ring, and knurled locking knob down the tube onto the flange adapter body. Tighten the knurled locking knob by hand.
It is not recommended to insert the glass tube into a fully assembled KF Flange-to-compression-fitting adapter. The sharp edges of the glass tube may damage the O-ring, thus causing the seal to fail.
| Posted Comments: | |
| No Comments Posted |
Products Home





















Empty Alumina Cell with Sapphire Windows