Parfocal Length Extenders for Microscope Objectives

- Add 15 mm or 35 mm to the Parfocal Length of an Objective
- Versions Compatible with RMS or M25 x 0.75 Objectives
- Stackable for Compatibility with Industry-Standard Parfocal Lengths
PLE351
35 mm, Internal and External
M25 x 0.75 Threading
PLE152
15 mm, Internal and External
RMS (0.800"-36) Threading
Application Idea
Objective with 45 mm Parfocal Length
Using PLE153 Extender to Match
60 mm Parfocal Length Objective
(Shown Mounted on CSN200 Nosepiece)
Parfocal Length Extender

Please Wait
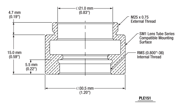
| Table 1.2 Specifications | |||||
|---|---|---|---|---|---|
| Item # | PLE152 | PLE153 | PLE151 | PLE351 | PLE352 |
| Extension | 15 mm | 35 mm | |||
| External Threading |
RMSa | M25 x 0.75 | M25 x 0.75 | M25 x 0.75 | M26 x 0.706 |
| Internal Threading |
RMSa | M25 x 0.75 | |||
| Diagram | |||||

Click to Enlarge
Figure 1.1 As shown here, the parfocal length is the distance from the shoulder of the objective to the focal plane.
| Table 1.3 Common Objective Standards | |||||
|---|---|---|---|---|---|
| Parfocal Length | 45 mm | 60 mm | 75 mm | 95 mm | |
| Manufacturer/ Thread |
Thorlabs | - | M25 | - | M25 |
| Olympus | RMSa | - | M25 | - | |
| Nikon | - | M25b | M32 | - | |
| Mitutoyo | - | - | - | M26 | |
Features
- Threaded Spacers Increase an Objective's Parfocal Length
- Stackable Design Matches Multiple Industry-Standard Parfocal Lengths
- Versions Available with RMS (0.800"-36) or M25 x 0.75 Internal Threads
- Anti-Reflective Interior Coating Minimizes Stray Reflections
- Solid Brass or Bronze Construction with Anti-Reflective Interior Coating
Thorlabs' parfocal length extenders increase the parfocal length of an infinity-corrected objective by a fixed amount. The parfocal length is the distance from the shoulder of the objective to the focal plane. Parfocal length varies between manufacturers and between different objectives; for common standards, see Table 1.3. Using a parfocal length extender to match parfocal lengths when switching between various microscope objectives minimizes the refocusing required. When using parfocal length extenders, take care to not exceed the maximum recommended distance from the objective to the tube lens; otherwise, vignetting may occur.
We offer 15 mm and 35 mm extenders with RMS (0.800"-36) threading or M25 x 0.75 internal threading to accommodate industry standards (refer to Tables 1.2 and 1.3 for details). By stacking two matched 15 mm adapters together, the user can also extend an objective with a parfocal length of 45 mm to one with a parfocal length of 75 mm. The 35 mm adapter can be used to adapt our TL4X-SAP Super Apochromatic Objective with a 60 mm parfocal length to match the 95 mm parfocal length of our TL2X-SAP Super Apochromatic Objective. For objectives or objective holders with different threading, we offer a wide selection of thread adapters; note that the use of an adapter could increase the parfocal length.
The PLE152 RMS-Threaded Extender is directly compatible with our OT1 Objective Lens Turret, which is RMS-threaded and enables easy manual switching between four objectives.
| Posted Comments: | |
james.parker
 (posted 2017-03-29 09:21:42.637) It would be useful if you offered similar parfocal length extenders to use with your LMU-series UV objectives. The 40x and 20x do not conform to the usual parfocal length standards. I haven't looked at the rest. I'm currently having made M25 to RMS extenders for the 40x and 20x for my own use. tfrisch
 (posted 2017-03-31 01:57:48.0) Hello, thank you for contacting Thorlabs. I have posted your feedback in our internal engineering forum. I will reach out to you directly about your needs for a custom parfocal extender. chris.percival
 (posted 2016-06-17 13:51:17.427) Could i get a quote for a custom PL15M25, but 50mm long?
I suppose that would then be a PL50M25 besembeson
 (posted 2016-06-21 02:09:58.0) Response from Bweh at Thorlabs USA: We can provide this as a special item. You could also consider a combination of components such as an SM1A18, SM1L10, SM1V05, and SM1A17. I will follow-up with you to understand your application as most microscope objective parfocal distances are 60mm, 45mm or 75mm. aoki
 (posted 2014-11-22 11:47:57.983) I would appreciate 15 mm Parfocal Length Extender with outer RMS and internal M25 threads to fit an Olympus objective to a Nikon lens mount. cdaly
 (posted 2014-11-25 02:02:32.0) Response from Chris at Thorlabs: Thank you for your suggestion. This is now something we are look internally into introducing. cbrideau
 (posted 2014-03-06 13:26:01.59) Any plans for making this in the more modern M25 thread? cdaly
 (posted 2014-03-11 01:59:33.0) Response from Chris at Thorlabs: Thank you for your feedback. We can likely offer an M25-threaded version as a custom. We will contact you directly to discuss this option. |
Products Home













Parfocal Length Extender for Microscope Objectives